
Серия DMF-Y Клапаны импульсные электромагнитные, двухходовые (2/2) из литого алюминия
- С пилотным кправлением, нормально закрытые;
- Размер присоединения: 3/4"-3"
- Температура рабочей среды: от -5°C до 55°C (от -40°C до 80°C)
- Рабочее давления: 0.3-0.8 МПа
- Рабочая среда: воздух
Пилотные импульсные электромагнитные клапаны серии DMF-Y разработаны для промышленных систем очистки воздуха. Эффективно работают при давлении 3-8 бар, а также отличаются быстрым реагированием и мощным импульсом, гарантируя высокопроизводительную очистку фильтров и пылевых мешков. Корпус клапана изготовлен из промышленного литого алюминия с антикоррозионными свойствами и оптимизированной конструкцией. Катушку с фиксирующим кольцом удобно заменять без использования инструментов, в то время как долговечная диафрагма выдерживает более 500 000 циклов, сохраняя высокую надежность и стабильность очистки даже в сложных условиях.
- Конструкция с пилотным управлением и оптимизированной диафрагмой обеспечивает быстрое срабатывание и мощный импульс, способствуя высокоэффективной очистке.
- Двойная диафрагма и коническая тарельчатая пружина повышают стабильность возврата диафрагмы и увеличивают срок службы клапанов.
- Компактный корпус из литого алюминия отличается вибростойкостью и прочностью, отлично подходит для монтажа в ограниченных пространствах.
- Стандартные резьбовые соединения NPT, гайки специальной конструкции и опциональное взрывозащищенное исполнение гарантируют удобное подключение к трубопроводу.
- Увеличенный срок службы импульсных клапанов DMF-Y составляет более 500 000 циклов. Вся продукция соответствует международным промышленным стандартам систем удаления пыли.
Электромагнитный импульсный клапан серии DMF-Y разработан для эффективного удаления большого количества пыли даже в условиях высокой влажности. Он сохраняет высокую производительность в широком диапазоне температур и широко используется для работы с древесной пылью, абразивными порошками и другими пылевыми материалами:
- На пищевых производствах при пониженных температурах, в т.ч. при производстве муки;
- В стружкоотсосах и системах улавливания древесного волокна при производстве мебели;
- В системах для улавливания высокотемпературной цементной пыли в печах при производстве цемента.
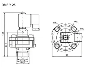
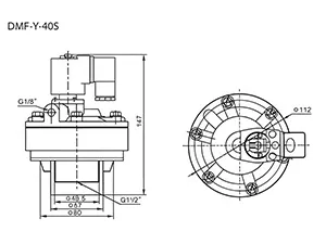
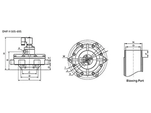
| Модель |
|
|
|
|
| A | G3/8" | G3/8” | G3/8" | / |
| B | 99.5 | 106.5 | 113 | / |
| C | Ø64.5 | Ø80 | Ø90 | Ø86 |
| D | Ø78.5 | Ø93.5 | Ø109 | Ø90 |
| E | Ø118 | Ø145 | Ø141 | Ø158 |
| F | 25 | 34.5 | 27 | 33.5 |
| G | 31 | 35 | 34 | 50 |
| H | 187 | 197 | 205 | / |
| I | Ø200 | Ø230 | Ø248 | Ø200 |
| J | Ø180 | Ø208 | Ø227 | Ø176 |
| K | Ø159 | Ø184 | Ø200 | / |
| M | 6- Ø 11.5 | 6- Ø 11.5 | 6- Ø 11.5 | 8- Ø 11 |
| N | Ø61.5+0.44 +0.22 | Ø75+0.44 +0.22 | Ø892+0.44 +0.22 | Ø85+0.44 +0.22 |
| 0 | 50 | 62 | 76 | 76 |
| P | 43.5 | 44 | 34 | 34 |
| Тип |
|
||
| Принцип работы | пилотного управления | Размер присоединения | 3/4"–3" |
| Серия | DMF-Y | Принцип действия | нормально закрытый |
| Материал корпуса | литой алюминий | Электрическое подключение | разъем DIN |
| Тип клапана | электромагнитный | Класс защиты | IP65 |
| Рабочее давление | 0.3–0.8 МПа | Крепление | требуется кронштейн |
| Материал уплотнений | NBR | Рекомендуемый способ установки | горизонтально |
| Температура среды | от -5°C до 55°C (опционально от -40°C до 80°C) | Варианты резьбы | BSP, NPT |
-
Благодаря автоматизированной высокоточной обработке каждый компонент строго соответствует техническим требованиям и отличается долгим сроком службы.
-
Автоматическая пятиосевая обработка с высокоточной полировкой поверхности обеспечивает исключительную соосность клапанов и быстрое время отклика за миллисекунды.
-
Для проверки воздухонепроницаемости электромагнитных клапанов мы используем автоматическое оборудование для испытаний при высоком и низком давлении.
-
Контроль герметичности методом погружения в воду подтверждает возможность длительной и непрерывной работы клапанов без утечек.
-
Для гарантии высокой герметичности изделий мы проверяем выходные каналы клапанов путем погружения в воду.
- Строгий контроль качества: от подготовки сырья до выпуска готового изделия каждый клапан проходит 30 этапов контроля.
- Оперативная поставка: мы гарантируем быструю отгрузку благодаря наличию заготовок для срочных заказов.
- Соотношение цена-качество: благодаря оптимизированным инженерным решениям мы предлагаем качественные изделия по оптимальной цене.











