
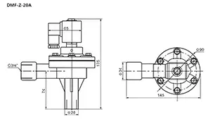
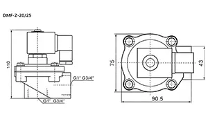
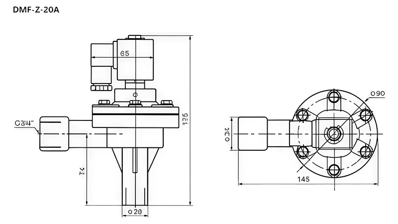
Серия DMF-Z Клапаны электромагнитные, двухходовые (2/2) из литого алюминия
- С пилотным кправлением, нормально закрытые;
- Размер присоединения: 3/4"-3"
- Температура рабочей среды: от -5°C до 55°C (от -40°C до 80°C)
- Рабочее давления: 0.3-0.8 МПа
- Рабочая среда: воздух
Электромагнитные клапаны серии DMF-Z — это угловые (90°) клапаны пилотного действия, специально разработанные для промышленных систем пылеулавливания и аспирации. Конструкция с прямым углом потока обеспечивает эффективное прохождение воздуха, а корпус из литого алюминия авиационного класса отличается компактностью и высокой износостойкостью. Запатентованный механизм стопорного кольца позволяет быстро заменять катушку без использования инструмента, существенно упрощая техническое обслуживание. Прецизионные внутренние компоненты обеспечивают стабильную работу диафрагмы и надежное импульсное срабатывание с ресурсом в несколько миллионов циклов, значительно повышая эффективность и долговечность системы.
- Угловая конструкция 90° упрощает прокладку трубопроводов и снижает требования к монтажному пространству и времени установки;
- Варианты подключения с резьбой NPT и фланцевым креплением, специальная конструкция гайки обеспечивает быстрый и удобный монтаж;
- Доступны взрывозащищенные исполнения (сертификация ATEX), а также антивибрационные монтажные кронштейны для эксплуатации в условиях повышенного шума или потенциально опасных сред.
Электромагнитные клапаны серии предназначены для промышленных систем пылеудаления, работающих в условиях высокой запыленности и повышенной влажности. Клапаны обеспечивают стабильную очистку фильтров в широком диапазоне температур и подходят для работы с древесной пылью, абразивными порошками и другими мелкодисперсными частицами. Наиболее распространенные области применения:
- Мукомольное производство — низкотемпературные пищевые процессы;
- Мебельное производство — системы удаления опилок и мелкой пыли;
- Цементная промышленность — отвод высокотемпературной пыли из печей.
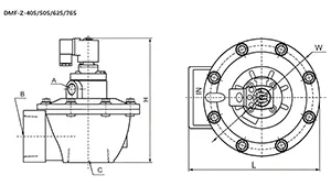
| Модель | A | B | C | L | W | H |
|
|
G1/8" | G11/2" | G11/2" | 135.5 | 128 | 173 |
|
|
G3/8" | G2" | G2" | 210 | 185 | 202 |
|
|
G3/8" | G21/2" | G21/2" | 210 | 185 | 222 |
|
|
G3/8" | G3" | G3” | 230.5 | 200 | 245 |
| Тип |
|
||
| Принцип работы | пилотного управления | Размер присоединения | 3/4"–3" |
| Серия | DMF-Z | Принцип действия | нормально закрытый |
| Материал корпуса | литой алюминий | Электрическое подключение | разъем DIN |
| Тип клапана | электромагнитный | Класс защиты | IP65 |
| Рабочее давление | 0.3–0.8 МПа | Крепление | требуется кронштейн |
| Материал уплотнений | NBR | Рекомендуемый способ установки | горизонтально |
| Температура среды | от -5°C до 55°C (опционально от -40°C до 80°C) | Варианты резьбы | BSP, NPT |
-
Благодаря автоматизированной высокоточной обработке каждый компонент строго соответствует техническим требованиям и отличается долгим сроком службы.
-
Автоматическая пятиосевая обработка с высокоточной полировкой поверхности обеспечивает исключительную соосность клапанов и быстрое время отклика за миллисекунды.
-
Для проверки воздухонепроницаемости электромагнитных клапанов мы используем автоматическое оборудование для испытаний при высоком и низком давлении.
-
Контроль герметичности методом погружения в воду подтверждает возможность длительной и непрерывной работы клапанов без утечек.
-
Для гарантии высокой герметичности изделий мы проверяем выходные каналы клапанов путем погружения в воду.
- Строгий контроль качества: от подготовки сырья до выпуска готового изделия каждый клапан проходит 30 этапов контроля.
- Оперативная поставка: мы гарантируем быструю отгрузку благодаря наличию заготовок для срочных заказов.
- Соотношение цена-качество: благодаря оптимизированным инженерным решениям мы предлагаем качественные изделия по оптимальной цене.









