
Серия 2WH Клапаны электромагнитные, двухходовые (2/2), латунные
- Прямого действия, нормально закрытые
- Размер присоединения: 1/8"-3/8"
- Температура рабочей среды: от -5°C до 80°C (опционально до 120℃)
- Рабочее давление: 0-2.0 МПа / 0-3.0 МПа
- Рабочая среда: воздух, вода, масло, газ
Ультракомпактные электромагнитные клапаны прямого действия серии 2WH разработаны для промышленных систем с повышенными требованиями к размерам и производительности клапанов. За счет конструкции с двумя отверстиями в нижней части клапаны данной серии имеют небольшой размер, легкий вес и просты в установке. В отличие от традиционных клапанов, они могут быть легко интегрированы в ограниченные пространства и не требуют внешних крепежных устройств для монтажа. Клапаны гарантируют быстрое срабатывание (30 миллисекунд), а также поддерживают стабильное давление до 20 бар и мгновенное давление до 30 бар. Благодаря этим характеристикам они широко используются в системах управления потоками с высокой частотой циклов и высоким давлением.
- Ультракомпактная легковесная конструкция позволяет установку в ограниченных пространствах;
- Два отверстия в нижней части клапанов обеспечивают монтаж без кронштейнов;
- Отличаются быстрым срабатыванием с переходом между рабочими состояниями за 30 миллисекунд;
- Эффективны в системах с постоянным давлением до 20 бар и мгновенным давлением до 30 бар;
- Прочная и надежная конструкция требует минимального обслуживания;
- Выбор коррозионностойких материалов позволяет адаптировать клапаны под нужные условия эксплуатации и продлить их срок службы.
- Оборудование для промышленной автоматизации;
- Пневматические системы управления;
- Гидравлические системы;
- Упаковочное оборудование;
- Медицинское оборудование;
- Автоматизированные производственные линии.
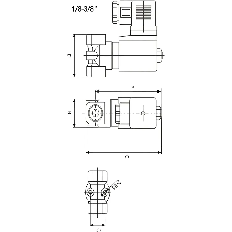
| Модель | Размер присоединения | A | B | C | D |
|
|
1/8" | 66 | 30.3 | 80 | 40.5 |
|
|
1/8" | 66 | 30.3 | 80 | 41.5 |
|
|
1/4" | 66 | 30.3 | 80 | 40.5 |
|
|
1/4" | 66 | 30.3 | 80 | 41.5 |
|
|
1/4" | 59 | 24 | 75 | 40 |
|
|
3/8" | 74 | 32.5 | 92 | 53 |
|
|
3/8" | 74 | 32.5 | 92 | 53 |
| Примечание: клапаны могут быть установлены в любом положении, если не указаны специальные требования по установке. | |||||
| Тип |
|
||
| Принцип работы | прямого действия | Размер присоединения | 1/8"–3/8" |
| Серия | 2WH | Принцип действия | нормально закрытый |
| Материал корпуса | Латунь | Электрическое подключение | проволочный вывод/разъем DIN |
| Тип клапана | электромагнитный | Класс защиты | IP43/IP67 |
| Рабочее давление | 0-2.0 МПа / 0-3.0 МПа | Крепление | нижний монтаж |
| Материал уплотнений | NBR, Viton, EPDM, силикон | Рекомендуемый способ установки | горизонтально/вертикально |
| Температура среды | от -5°C до 80°C (опционально от -5°C до 120℃) | Варианты резьбы | BSP, NPT |
-
Благодаря автоматизированной высокоточной обработке каждый компонент строго соответствует техническим требованиям и отличается долгим сроком службы.
-
Автоматическая пятиосевая обработка с высокоточной полировкой поверхности обеспечивает исключительную соосность клапанов и быстрое время отклика за миллисекунды.
-
Для проверки воздухонепроницаемости электромагнитных клапанов мы используем автоматическое оборудование для испытаний при высоком и низком давлении.
-
Контроль герметичности методом погружения в воду подтверждает возможность длительной и непрерывной работы клапанов без утечек.
-
Для гарантии высокой герметичности изделий мы проверяем выходные каналы клапанов путем погружения в воду.
- Строгий контроль качества: от подготовки сырья до выпуска готового изделия каждый клапан проходит 30 этапов контроля.
- Оперативная поставка: мы гарантируем быструю отгрузку благодаря наличию заготовок для срочных заказов.
- Соотношение цена-качество: благодаря оптимизированным инженерным решениям мы предлагаем качественные изделия по оптимальной цене.








