
Серия SY223 Клапаны электромагнитные, двухходовые (2/2), латунные
- Прямого действия, нормально закрытые
- Размер присоединения: 1/4"-2"
- Температура рабочей среды: от -5°C до 80°C (опционально до 120℃)
- Рабочее давление: 0.07-1.6 МПа
- Рабочая среда: воздух, вода, масло, газ
Двухходовые двухпозиционные клапаны SY223 пилотного управления уменьшают занимаемое пространство на 40% по сравнению с традиционными клапанами того же диаметра, поэтому широко используются в ограниченном монтажном пространстве. Также, в отличие от обычных соленоидных клапанов, клапаны серии SY223 можно устанавливать в любом направлении (360°) благодаря инновационному внутреннему механизму. Их конструкция значительно улучшает гибкость интеграции электромагнитных клапанов в сложных трубопроводах и компактных установках.
- Проходное отверстие шириной 10 миллиметров обеспечивает высокую пропускную способность и непрерывность потока;
- Опциональные высокотемпературные уплотнительные материалы (NBR, EPDM, Viton) увеличивают срок службы клапанов;
- Отсутствие эффекта гидравлического удара и вибрационных помех гарантирует стабильную и надежную работу;
- Для повышенной изоляции и защиты катушка полностью покрыта термореактивным пластиком;
- Клапаны изготовлены из прочного материала, совместимы с различными средами и требуют минимального обслуживания.
- Мобильные промышленные устройства и оборудование;
- Небольшие промышленные станки и системы автоматизации;
- Системы управления сжатым воздухом;
- Системы водоподготовки;
- Оборудование для управления потоком рабочей среды.
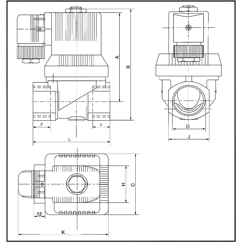
| Модель | G | C | F | L | J | A | B | H | K |
|
|
1/4" | 45 | 16 | 52 | 27 | 82 | 96 | 40 | 80 |
|
|
1/2" | 45 | 16 | 52 | 27 | 82 | 96 | 40 | 80 |
|
|
3/4" | 45 | 16 | 63 | 31 | 82 | 96 | 40 | 80 |
|
|
1" | 65 | 18 | 82 | 41 | 96 | 117 | 40 | 90 |
|
|
1/4" | 96 | 20 | 132 | 58 | 112 | 145 | 40 | 132 |
|
|
11/2" | 96 | 20 | 132 | 58 | 112 | 145 | 40 | 132 |
|
|
2" | 111 | 22 | 160 | 70 | 125 | 166 | 40 | 160 |
| Тип |
|
||
| Принцип работы | прямого действия | Размер присоединения | 1/4"–2" |
| Серия | SY223 | Принцип действия | нормально закрытый |
| Материал корпуса | Латунь | Электрическое подключение | разъем DIN |
| Тип клапана | электромагнитный | Класс защиты | IP65 |
| Рабочее давление | 0.07-1.6 МПа | Крепление | требуется кронштейн |
| Материал уплотнений | NBR, EPDM, Viton | Рекомендуемый способ установки | под любым углом |
| Температура среды | от -5°C до 80°C (опционально от -5℃ до 120℃) | Варианты резьбы | BSP, NPT |
-
Благодаря автоматизированной высокоточной обработке каждый компонент строго соответствует техническим требованиям и отличается долгим сроком службы.
-
Автоматическая пятиосевая обработка с высокоточной полировкой поверхности обеспечивает исключительную соосность клапанов и быстрое время отклика за миллисекунды.
-
Для проверки воздухонепроницаемости электромагнитных клапанов мы используем автоматическое оборудование для испытаний при высоком и низком давлении.
-
Контроль герметичности методом погружения в воду подтверждает возможность длительной и непрерывной работы клапанов без утечек.
-
Для гарантии высокой герметичности изделий мы проверяем выходные каналы клапанов путем погружения в воду.
- Строгий контроль качества: от подготовки сырья до выпуска готового изделия каждый клапан проходит 30 этапов контроля.
- Оперативная поставка: мы гарантируем быструю отгрузку благодаря наличию заготовок для срочных заказов.
- Соотношение цена-качество: благодаря оптимизированным инженерным решениям мы предлагаем качественные изделия по оптимальной цене.







